Замена всех опор/подушек двигателя и коробки ELR


Рекомендованные сообщения

Написал в БЖ подробнее: https://www.drive2.ru/l/638284368061671548/

Переписывать всё не буду. Меняется в принципе не так сложно как кошмарят инструкции.

Инструкции:
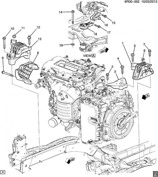
- Замена подушки двигателя пассажира и моменты затяжки 
- Замена подушки коробки водителя и моменты затяжки
Замена задней подушки (не открывает, но номер инструкции актуальный 92711418)
- Замена кронштейна задней подушки и моменты затяжки

Из нюансов были трудности с задней нижней опорой - там нужно дополнительно откручивать 2 болта рейки чтобы вынуть болт опоры (он утыкается в разъем рейки).
Болт лучше потом перевернуть головкой вниз, чтобы рейку потом не трогать. Рейка аккуратно сдвигается в пассажирскую сторону.

Оригинальные номера:
20957835 - задняя опора / 20877918 - крепление опоры к коробке
23291454 - водительская опора
23291455 - пассажирская опора

Для замены водительской стороны надо обесточивать полностью автомобиль. Заранее откройте стекло, багажник, а замок двери лучше прожмите отверткой, чтобы дверка не закрылась, а то пятой точкой через стекло полезете)))
Сначала обязательно отключить 12V аккумулятор, чтобы не было ошибок.
Затем спустя минут 5 залезть в салон в подлокотнике найти вставку, под ней будет заветная чека))
После этого еще 5 минут не трогать высоковольтные линии, чтобы не прилетело откуда не ждали :)))

Крышка над инвертором пластиковая, имеет датчик разъединения. Если ее снять без отключения - машина не позволит без MDI себя завести.


Чеку в салоне можно найти тут:

Цитата

 

image.png.677f939ef5b5b8d46b4cd021d72f18e3.png

 

Фото в бортжурнале Cadillac ELR

 

Oiwb6SwJR4adqSxb4h-uFR3jYo4-1920.jpg

 

Фото в бортжурнале Cadillac ELR

 

 

Фото в бортжурнале Cadillac ELR

Фото в бортжурнале Cadillac ELR

 

Фото в бортжурнале Cadillac ELR

 

Фото в бортжурнале Cadillac ELR

1310036R00-002.thumb.jpg.9290f3bcb7594090d4418c02844223d6.jpg

 

 

Изменено пользователем mikess
  • Like 1
Ссылка на комментарий
Поделиться на других сайтах

  • Maxim pinned this тему

Создайте аккаунт или войдите в него для комментирования

Вы должны быть пользователем, чтобы оставить комментарий

Создать аккаунт

Зарегистрируйтесь для получения аккаунта. Это просто!

Зарегистрировать аккаунт

Войти

Уже зарегистрированы? Войдите здесь.

Войти сейчас