Palych Опубликовано: 29 декабря 2021 Жалоба Share Опубликовано: 29 декабря 2021 Не работают стоп сигналы Cadillac CTS 2006,реле нормальное,предохранитель тоже целый.Подскажите куда копать Отправлено с моего iPhone используя Cadillac Team Russia Ссылка на комментарий Поделиться на других сайтах More sharing options...
Lev Опубликовано: 29 декабря 2021 Жалоба Share Опубликовано: 29 декабря 2021 из очевидного, лампочки проверяли? приходит ли 12В на контакты, при нажатии на педаль тормоза ? Схема задних фонарей Ссылка на комментарий Поделиться на других сайтах More sharing options...
Palych Опубликовано: 29 декабря 2021 Автор Жалоба Share Опубликовано: 29 декабря 2021 На лампочки не приходитОтправлено с моего iPhone используя Cadillac Team Russia Ссылка на комментарий Поделиться на других сайтах More sharing options...
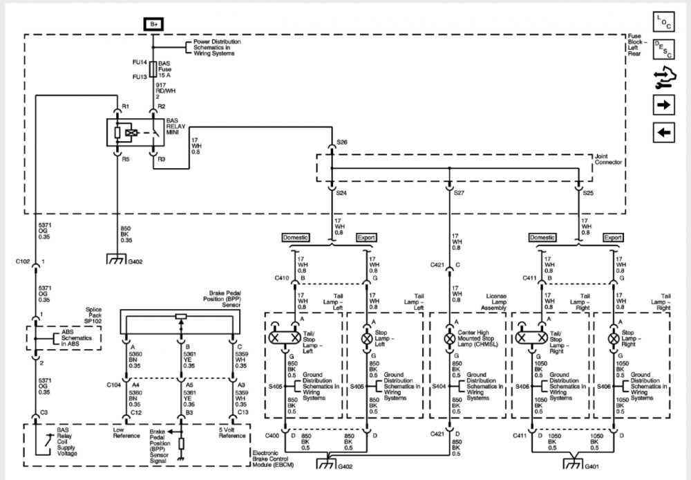
Lev Опубликовано: 29 декабря 2021 Жалоба Share Опубликовано: 29 декабря 2021 (изменено) Реле открывается при нажатии педали ? если глянуть по схеме, то BCM посылает сигнал на реле BAS Relay Coil Supply Voltage Дальше там все просто, питание идет в разъемы C410, C411, C421 Прямо с блока предохранителей (задний левый) Либо BCM не посылает сигнал на реле, либо проблема в проводке на пути следования сигнала. Ну и еще стоит проверить земли G402 и G401 Изменено 29 декабря 2021 пользователем Lev Maxim отреагировал на это 1 Ссылка на комментарий Поделиться на других сайтах More sharing options...
Palych Опубликовано: 29 декабря 2021 Автор Жалоба Share Опубликовано: 29 декабря 2021 Реле за водительским сидением,правильно понимаю?Отправлено с моего iPhone используя Cadillac Team RussiaИ там же предохранительОтправлено с моего iPhone используя Cadillac Team Russia Ссылка на комментарий Поделиться на других сайтах More sharing options...
Lev Опубликовано: 29 декабря 2021 Жалоба Share Опубликовано: 29 декабря 2021 Реле за водительским сидением,правильно понимаю?Отправлено с моего iPhone используя Cadillac Team RussiaИ там же предохранительОтправлено с моего iPhone используя Cadillac Team RussiaДа, должно быть тамSent from my Redmi Note 9S using Cadillac Team Russia mobile app Ссылка на комментарий Поделиться на других сайтах More sharing options...
Palych Опубликовано: 29 декабря 2021 Автор Жалоба Share Опубликовано: 29 декабря 2021 А есть ли предохранитель под капотом на стопы?Отправлено с моего iPhone используя Cadillac Team Russia Ссылка на комментарий Поделиться на других сайтах More sharing options...
Lev Опубликовано: 29 декабря 2021 Жалоба Share Опубликовано: 29 декабря 2021 А есть ли предохранитель под капотом на стопы?Отправлено с моего iPhone используя Cadillac Team RussiaНет, только на фары.Sent from my Redmi Note 9S using Cadillac Team Russia mobile app Ссылка на комментарий Поделиться на других сайтах More sharing options...
Palych Опубликовано: 29 декабря 2021 Автор Жалоба Share Опубликовано: 29 декабря 2021 53 предохранитель stop lp sw 15aОтправлено с моего iPhone используя Cadillac Team Russia Ссылка на комментарий Поделиться на других сайтах More sharing options...
Lev Опубликовано: 29 декабря 2021 Жалоба Share Опубликовано: 29 декабря 2021 53 предохранитель stop lp sw 15aОтправлено с моего iPhone используя Cadillac Team RussiaНе совсем понял, что такое 53 предохранителSent from my Redmi Note 9S using Cadillac Team Russia mobile app Ссылка на комментарий Поделиться на других сайтах More sharing options...
Palych Опубликовано: 29 декабря 2021 Автор Жалоба Share Опубликовано: 29 декабря 2021 Отправлено с моего iPhone используя Cadillac Team Russia Ссылка на комментарий Поделиться на других сайтах More sharing options...
Lev Опубликовано: 29 декабря 2021 Жалоба Share Опубликовано: 29 декабря 2021 Очень странно, все мои схемы показывают что там стоит "запасной/подменный/spare" предохранительSent from my Redmi Note 9S using Cadillac Team Russia mobile apphttps://encrypted-tbn0.gstatic.com/images?q=tbn:ANd9GcQR6YQcCvQV9Y2k3BsJgsCOwPHtsE3AljxpBg&usqp=CAUВот фото лейбла блока предов, к своей машине я только завтра смогу дойти и перепроверитьSent from my Redmi Note 9S using Cadillac Team Russia mobile appНашелЭто схема у тебя от 2003 годаТам и схема подключения совершенно иная, с 2004 года по другому сделалиSent from my Redmi Note 9S using Cadillac Team Russia mobile app Ссылка на комментарий Поделиться на других сайтах More sharing options...
Palych Опубликовано: 29 декабря 2021 Автор Жалоба Share Опубликовано: 29 декабря 2021 Завтра посмотрю на машине что тамОтправлено с моего iPhone используя Cadillac Team Russia Ссылка на комментарий Поделиться на других сайтах More sharing options...
Palych Опубликовано: 30 декабря 2021 Автор Жалоба Share Опубликовано: 30 декабря 2021 Все проверил,питание от педали до абс идёт,а с абс уже не выходитВидимо сдох блок абсОтправлено с моего iPhone используя Cadillac Team Russia Ссылка на комментарий Поделиться на других сайтах More sharing options...
Lev Опубликовано: 30 декабря 2021 Жалоба Share Опубликовано: 30 декабря 2021 Все проверил,питание от педали до абс идёт,а с абс уже не выходитВидимо сдох блок абсОтправлено с моего iPhone используя Cadillac Team RussiaНадо бы ошибки прочитать. Я ещё ближе к ночи поищу в сервис мануале какой инфы по этим симптомамSent from my Redmi Note 9S using Cadillac Team Russia mobile appЕщё надо глянуть, какие пороговые значения сопротивления на педали тормоза должны быть, может просто педаль подусталаSent from my Redmi Note 9S using Cadillac Team Russia mobile app Maxim отреагировал на это 1 Ссылка на комментарий Поделиться на других сайтах More sharing options...
Lev Опубликовано: 30 декабря 2021 Жалоба Share Опубликовано: 30 декабря 2021 Вот описание как оно все работает с логической стороныStop Lamps The brake pedal position sensor is a resistive device used to sense the action of the driver's application of the brake pedal. The brake pedal position sensor provides an analog signal that will increase as the brake pedal is pressed. The brake pedal position sensor receives both a 5-volt reference voltage and a low reference signal from the electronic brake control module (EBCM). When the brake pedal is pressed, a variable signal is applied from the brake pedal position sensor to the EBCM through the brake sensor signal circuit. The fuse block left rear supplies battery positive voltage to the bass relay switch through the BASS fuse. One side of the bass relay coil is permanently grounded at G402. The EBCM supplies voltage to the bass relay coil upon receiving the signal from the brake pedal position sensor. The switch contacts of the bass relay close and battery positive voltage is applied through the bass relay switch to the center high mounted stop lamp (CHMSL), and to the turn signal/hazard flasher module through the stop lamp switch signal circuit. The ground for the CHMSL is applied from G402. The turn signal/hazard flasher module then supplies voltage to the left and right stop lamps in the tail lamp assemblies that have ground at G401 and G402. For export vehicles the stop lamps receive battery positive voltage directly from the bass relay. Значений педали тормоза к сожалению не смог найти. Ссылка на комментарий Поделиться на других сайтах More sharing options...
Palych Опубликовано: 31 декабря 2021 Автор Жалоба Share Опубликовано: 31 декабря 2021 Датчик положения педали проверили все в норме Отправлено с моего iPhone используя Cadillac Team Russia Ссылка на комментарий Поделиться на других сайтах More sharing options...
Lev Опубликовано: 31 декабря 2021 Жалоба Share Опубликовано: 31 декабря 2021 То есть, все же EBCM не посылает сигнал на включение реле ? Ссылка на комментарий Поделиться на других сайтах More sharing options...
Palych Опубликовано: 31 декабря 2021 Автор Жалоба Share Опубликовано: 31 декабря 2021 Видимо дело в немОтправлено с моего iPhone используя Cadillac Team Russia Ссылка на комментарий Поделиться на других сайтах More sharing options...
Lev Опубликовано: 3 января 2022 Жалоба Share Опубликовано: 3 января 2022 (изменено) Как вариант, можно пройти процесс калибровки педали тормоза, но нужен либо дилерский сканер (MDI, Tech2), либо launch мультимарочный, с доступом к марке GM ================================ Brake Pedal Position Sensor Calibration Calibration Criteria Important: Do not apply the brake pedal during the brake pedal position sensor calibration procedure. Any movement of the brake pedal during this procedure will cause the calibration procedure to fail. If this occurs, the brake pedal position sensor calibration must be repeated. Brake pedal position sensor calibration must be preformed after the brake pedal position sensor or electronic brake control module (EBCM) have been serviced. The calibration procedure will set the brake pedal position sensor home value. This value is used by the EBCM to determine the action of the driver applying the brake system and to provide this information to the vehicle subsystems via the class 2 communication bus. Calibration Procedure Apply the parking brake. Place the transmission in the PARK position for automatic transmission or NEUTRAL for manual transmission. Install a scan tool. Turn ON the ignition, with the engine OFF. Select Chassis. Select DRP/ABS/TCS/VSES. Select Special Functions. Select the BPP Sensor Calibration and follow the directions displayed on the screen. ================================= Изменено 3 января 2022 пользователем Lev Maxim отреагировал на это 1 Ссылка на комментарий Поделиться на других сайтах More sharing options...
Lev Опубликовано: 3 января 2022 Жалоба Share Опубликовано: 3 января 2022 Как вариант, бреда ради. отключи центральный стоп, там обычно заливает трансформатор, может быть что закоротило. Ссылка на комментарий Поделиться на других сайтах More sharing options...
Palych Опубликовано: 4 января 2022 Автор Жалоба Share Опубликовано: 4 января 2022 Пробовали,сканер показывает что педаль тормоза не нажатаОтправлено с моего iPhone используя Cadillac Team Russia Ссылка на комментарий Поделиться на других сайтах More sharing options...
Lev Опубликовано: 4 января 2022 Жалоба Share Опубликовано: 4 января 2022 Ну если по схеме от педали до EBCM контакты звонятся и меняется сопротивление междупинами земли и сигнальным на педали при нажатии, то вероятно да, проблема в блок EBCMSent from my Redmi Note 9S using Cadillac Team Russia mobile app Ссылка на комментарий Поделиться на других сайтах More sharing options...
Lev Опубликовано: 4 января 2022 Жалоба Share Опубликовано: 4 января 2022 DTC C0163 or C0164 Diagnostic InstructionsPerform the Diagnostic System Check - Vehicle prior to using this diagnostic procedure.DTC DescriptorDTC C0163 : ABS/TCS/Brake Switch Sensor Circuit Low DTC C0164: ABS/TCS/Brake Switch Sensor Circuit High Circuit/System DescriptionThe brake pedal position sensor (BPP) is an input to the electronic brake control module (EBCM). The brake pedal position sensor is a potentiometer type sensor with a 5-volt reference circuit and a low reference circuit. The BCM supplies the 5-volt reference to the BPP.Conditions for Running the DTC • Ignition ON. • Vehicle Speed greater than 15 mph. • The BPP is an unapplied state Conditions for Setting the DTCThe EBCM detects the vehicle speed greater than 24 km/h (15 mph), the BPP is Unapplied, and brake pressure is increasing. Actions Taken when the DTC Sets • The EBCM disables the Traction Control and StabiliTrak for the duration of the ignition cycle. • A DIC message and/or a warning indicator may be displayed. Conditions for Clearing the DTC • The condition for the DTC is no longer present. Sent from my Redmi Note 9S using Cadillac Team Russia mobile appКакие вообще есть ошибки по блоку EBCM?Sent from my Redmi Note 9S using Cadillac Team Russia mobile app Ссылка на комментарий Поделиться на других сайтах More sharing options...
Maxim Опубликовано: 4 января 2022 Жалоба Share Опубликовано: 4 января 2022 Помоему проще кинуть провода от педали до стопарей уже [emoji23]Sent from my BBF100-6 using Cadillac Team Russia mobile app Ссылка на комментарий Поделиться на других сайтах More sharing options...
Рекомендованные сообщения
Создайте аккаунт или войдите в него для комментирования
Вы должны быть пользователем, чтобы оставить комментарий
Создать аккаунт
Зарегистрируйтесь для получения аккаунта. Это просто!
Зарегистрировать аккаунтВойти
Уже зарегистрированы? Войдите здесь.
Войти сейчас