Coced Опубликовано: 5 февраля 2019 Жалоба Share Опубликовано: 5 февраля 2019 А что скажите про то как американцы добавляют штатный блютуз заменой блока в задней полке седана? Я вот купил себе такой блок, полез в полку, а в купешке вообще нету такого блока(( Maxim отреагировал на это 1 Ссылка на комментарий Поделиться на других сайтах More sharing options...
krenkel Опубликовано: 6 февраля 2019 Жалоба Share Опубликовано: 6 февраля 2019 (изменено) Ни чего, что этот блок обзывается вот так - Cadillac CTS ONSTAR Communication Module Computer 2009 2010 20787642 Откуда у тебя ОнСтар в машине? Если только доустановить его. Будешь первый Изменено 6 февраля 2019 пользователем krenkel Maxim отреагировал на это 1 Ссылка на комментарий Поделиться на других сайтах More sharing options...
Archy Опубликовано: 6 февраля 2019 Жалоба Share Опубликовано: 6 февраля 2019 Интересная могла бы быть тема с восстановлением онстара, хотя бы на уровне мобильного инета, пробок в штатной навигации Ссылка на комментарий Поделиться на других сайтах More sharing options...
krenkel Опубликовано: 6 февраля 2019 Жалоба Share Опубликовано: 6 февраля 2019 Забудь. У меня есть блок ОнСтара от Инсигнии 15 года. Там встроенная симка. Вот бы переделать ее на обычную и перешить блок под другого оператора. А так это бесполезная железка. Поставить блок на Кую 2,0 / 2,5 не особо сложным вижу. На инсигнию это уже делали. Мы наоборот убираем сейчас с американцев онстар как лишнюю железку при установке карт Европы Ссылка на комментарий Поделиться на других сайтах More sharing options...
Archy Опубликовано: 6 февраля 2019 Жалоба Share Опубликовано: 6 февраля 2019 Кстати, у блока этого выход коаксиальный на антенну, так? Антенна которая на крыше наверно? Вопрос такой, а рацию к этой антенне можно подключить? Ссылка на комментарий Поделиться на других сайтах More sharing options...
krenkel Опубликовано: 6 февраля 2019 Жалоба Share Опубликовано: 6 февраля 2019 (изменено) Выход коаксиальный на сплитер. Антенна на крыше одна GSM и GPS может быть. Подключить рацию можно. Вопрос о качестве приема этой рации на эту антенну Изменено 6 февраля 2019 пользователем krenkel Archy отреагировал на это 1 Ссылка на комментарий Поделиться на других сайтах More sharing options...
Coced Опубликовано: 26 ноября 2020 Автор Жалоба Share Опубликовано: 26 ноября 2020 Подцепил блок онстар. Машина его видит. Пока висят ошибки по микрофону и антене. По моим догадкам, все-таки в европейской прошивке radio нету блютуза. Sent from my HTC U Ultra using Cadillac Team Russia mobile app Maxim и Lev отреагировали на это 2 Ссылка на комментарий Поделиться на других сайтах More sharing options...
Maxim Опубликовано: 27 ноября 2020 Жалоба Share Опубликовано: 27 ноября 2020 12 часов назад, Coced сказал: Машина его видит. а что где появилось? Ссылка на комментарий Поделиться на других сайтах More sharing options...
Coced Опубликовано: 27 ноября 2020 Автор Жалоба Share Опубликовано: 27 ноября 2020 а что где появилось?Теч2 проверял. Sent from my HTC U Ultra using Cadillac Team Russia mobile app Ссылка на комментарий Поделиться на других сайтах More sharing options...
Maxim Опубликовано: 27 ноября 2020 Жалоба Share Опубликовано: 27 ноября 2020 2 минуты назад, Coced сказал: Теч2 проверял. Sent from my HTC U Ultra using Cadillac Team Russia mobile app а понял, хорошо держи в курсе что там дальше, думаю на ебее онстар купить вообще не проблема Coced отреагировал на это 1 Ссылка на комментарий Поделиться на других сайтах More sharing options...
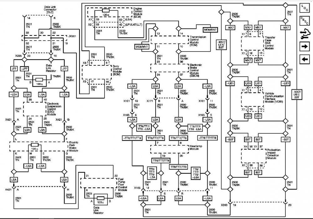
Coced Опубликовано: 29 ноября 2020 Автор Жалоба Share Опубликовано: 29 ноября 2020 Кто подскажет. Где в районе бардочка у ситика найти Low Speed GMLAN? Уже не хочется снова тянуть кабеля до блока ВСМ. Схема прилагается. Ссылка на комментарий Поделиться на других сайтах More sharing options...
Maxim Опубликовано: 30 ноября 2020 Жалоба Share Опубликовано: 30 ноября 2020 11 часов назад, Coced сказал: Кто подскажет. @krenkel и @Lev Ссылка на комментарий Поделиться на других сайтах More sharing options...
Lev Опубликовано: 30 ноября 2020 Жалоба Share Опубликовано: 30 ноября 2020 Увы я не знаю внутреннего устройства второго ситика. В первом, да и в sts, BCM расположен прямо над бардочком. Если во втором ситике не так, то ближайшее, что приходит на ум - коса до пассажирской двери.Sent from my Redmi Note 9S using Cadillac Team Russia mobile app Ссылка на комментарий Поделиться на других сайтах More sharing options...
Coced Опубликовано: 30 ноября 2020 Автор Жалоба Share Опубликовано: 30 ноября 2020 (изменено) Разобрался. Там как раз стоит Module Asm,Transfer Case Shift Control. В нем есть High Speed GMLAN Serial Data Bus. А так же постоянное питание. Изменено 30 ноября 2020 пользователем Coced Maxim и Lev отреагировали на это 1 1 Ссылка на комментарий Поделиться на других сайтах More sharing options...
Lev Опубликовано: 30 ноября 2020 Жалоба Share Опубликовано: 30 ноября 2020 17 часов назад, Coced сказал: Разобрался. Там как раз стоит Module Asm,Transfer Case Shift Control. В нем есть High Speed GMLAN Serial Data Bus. А так же постоянное питание. Но вроде же искал Low speed ? ) Sent from my Redmi Note 9S using Cadillac Team Russia mobile app Ссылка на комментарий Поделиться на других сайтах More sharing options...
Coced Опубликовано: 30 ноября 2020 Автор Жалоба Share Опубликовано: 30 ноября 2020 Но вроде же искал Low speed ? )Sent from my Redmi Note 9S using Cadillac Team Russia mobile appЯ лох)) искал одно, а тебе озвучил другое. В спешке все делаю на теплой парковке ТЦ)) Главное конечный результатSent from my HTC U Ultra using Cadillac Team Russia mobile app krenkel отреагировал на это 1 Ссылка на комментарий Поделиться на других сайтах More sharing options...
Coced Опубликовано: 6 декабря 2020 Автор Жалоба Share Опубликовано: 6 декабря 2020 И так, установка блютуза закончена. Все работает в штатном режиме, номера высвечиваются на приборной панели. Для реализации было куплено следующее оборудование: 1) Блок onstar 9ого поколения Lg 22739392. 2) Блок радио с американского cts GM 25951249, с поддержкой спутникового радио XM, а так же навигацией. (в теории можно обойтись и без навигации). Свой европейский блок радио не получилось прошить под америку, он все тесты проходил, но команды активации голосом не проходили. 3) Я так же приобрел антенну gsm fakra (что бы убрать ошибку в блоке onstar) Штатное место установки блока onstar за бардачком. Дальше тянем всю проводку. 1й вариант, схема подключения с навигацией. 2й вариант, схема для подключения без навигации Из схемы Нам нужно подключить питание, микрофон, gsm антенну, кан шину 3 кабеля (Low speed, High Speed GMLAN Serial Data Bus) и Remote playback signal. Распиновка разъемов блока OnStar Собственно все. В новом блоке радио меняем вин на свой и прошиваем под европейское радио. Номер телефона высвечивается на приборке https://youtu.be/43gydMwCeIw Lev и Maxim отреагировали на это 2 Ссылка на комментарий Поделиться на других сайтах More sharing options...
Maxim Опубликовано: 6 декабря 2020 Жалоба Share Опубликовано: 6 декабря 2020 14 минут назад, Coced сказал: Номер телефона высвечивается на приборке ну нифига себе!!!! круто! Ссылка на комментарий Поделиться на других сайтах More sharing options...
Coced Опубликовано: 13 декабря 2020 Автор Жалоба Share Опубликовано: 13 декабря 2020 Попробовал поменять штатный hdd на ssd. Не получилось снять ata пароль с hdd в американском блоке, а под паролем сделать клон нельзя. В европейском блоке пароль снял. Archy и Maxim отреагировали на это 2 Ссылка на комментарий Поделиться на других сайтах More sharing options...
Maxim Опубликовано: 14 декабря 2020 Жалоба Share Опубликовано: 14 декабря 2020 16 часов назад, Coced сказал: Попробовал поменять штатный hdd на ssd. Не получилось снять ata пароль с hdd в американском блоке, а под паролем сделать клон нельзя. В европейском блоке пароль снял. А зачем клон? Может прошивка заливается заново на хард через ЮСБ? Или как-то еще? Ссылка на комментарий Поделиться на других сайтах More sharing options...
Coced Опубликовано: 14 декабря 2020 Автор Жалоба Share Опубликовано: 14 декабря 2020 Пробовал старый хдд с европейской навигацией ставить в американку, не заработал. Ссылка на комментарий Поделиться на других сайтах More sharing options...
Maxim Опубликовано: 14 декабря 2020 Жалоба Share Опубликовано: 14 декабря 2020 21 час назад, Coced сказал: Попробовал поменять штатный hdd на ssd. Не получилось снять ata пароль с hdd в американском блоке, а под паролем сделать клон нельзя. В европейском блоке пароль снял. а можно подробнее, про американский, европейский? Слабо понял что куда) Ссылка на комментарий Поделиться на других сайтах More sharing options...
Coced Опубликовано: 14 декабря 2020 Автор Жалоба Share Опубликовано: 14 декабря 2020 У меня сейчас 2 блока. Родной с Европейской навигацией, и новый с Американ картами. Так вот, просто поменять местами hdd никакого результата не дало. Амер блок не видит европейский hdd. А что бы сравнить их, посмотреть инфу, надо разлочить ata пароль. На европейке получилось снять пароль, а на амер нет. У них видимо даже пароли разные. Родной hdd имеет 5 разделов. 1) 15gb под карты навигации 2) 10gb под музыку Остальные не помню уже. База данных песен и прочее Maxim и DUST отреагировали на это 2 Ссылка на комментарий Поделиться на других сайтах More sharing options...
Рекомендованные сообщения
Создайте аккаунт или войдите в него для комментирования
Вы должны быть пользователем, чтобы оставить комментарий
Создать аккаунт
Зарегистрируйтесь для получения аккаунта. Это просто!
Зарегистрировать аккаунтВойти
Уже зарегистрированы? Войдите здесь.
Войти сейчас