Snipx Опубликовано: 16 июня 2022 Жалоба Share Опубликовано: 16 июня 2022 Комрады, салют. надо понять как снимается маслозаливная горловина, которая сверху стоит на моторе. вроде должна крутиться, но не факт. ломать не хотелось бы. какие идеи? Ссылка на комментарий Поделиться на других сайтах More sharing options...
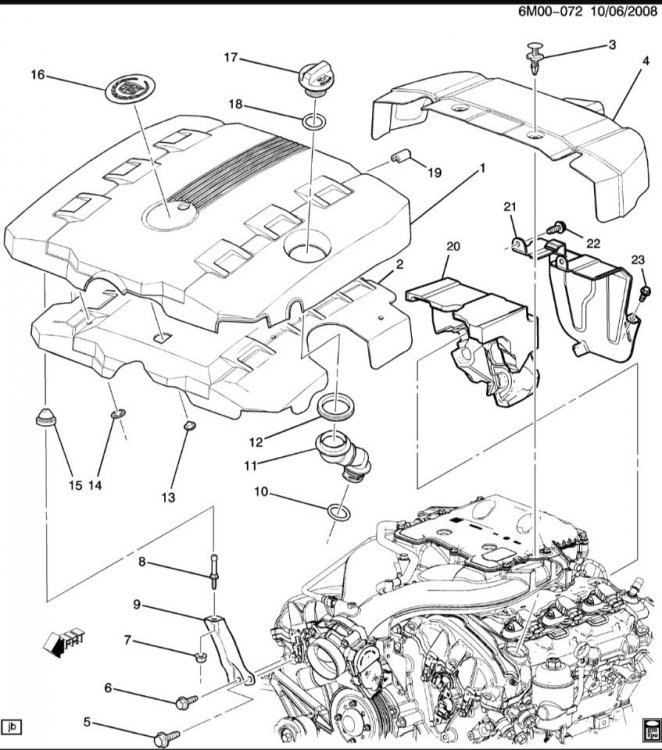
Это популярное сообщение. lsitnik Опубликовано: 16 июня 2022 Это популярное сообщение. Жалоба Share Опубликовано: 16 июня 2022 17 . 12593356 18 . 12593348 12. 12591714 10. 12593348 11. 12601942 Немного номеров Maxim, Vitall M, Сергей Николаевич и 1 другой отреагировали на это 4 Ссылка на комментарий Поделиться на других сайтах More sharing options...
Maxim Опубликовано: 16 июня 2022 Жалоба Share Опубликовано: 16 июня 2022 Я вот думаю если она в клапанную крышку втыкается, то может изнутри ее надо снимать, какое-то стопорное кольцо может держит, если не так, то скорее всего надо знать точно в какую сторону крутить и скорее всего она сломается тк пластик много раз нагревался, прикипел и потерял эластичность Snipx отреагировал на это 1 Ссылка на комментарий Поделиться на других сайтах More sharing options...
Snipx Опубликовано: 16 июня 2022 Автор Жалоба Share Опубликовано: 16 июня 2022 15 минут назад, Maxim сказал: Я вот думаю если она в клапанную крышку втыкается, то может изнутри ее надо снимать, какое-то стопорное кольцо может держит, если не так, то скорее всего надо знать точно в какую сторону крутить и скорее всего она сломается тк пластик много раз нагревался, прикипел и потерял эластичность не наш мотор, но конструкция похожая Maxim отреагировал на это 1 Ссылка на комментарий Поделиться на других сайтах More sharing options...
lsitnik Опубликовано: 16 июня 2022 Жалоба Share Опубликовано: 16 июня 2022 16 минут назад, Maxim сказал: Я вот думаю если она в клапанную крышку втыкается, то может изнутри ее надо снимать, какое-то стопорное кольцо может держит, если не так, то скорее всего надо знать точно в какую сторону крутить и скорее всего она сломается тк пластик много раз нагревался, прикипел и потерял эластичность Эх в руках бы её покрутить 1 минуту назад, Snipx сказал: не наш мотор, но конструкция похожая Походу его достало что оттуда масло хреначит Ну да защёлки Vitall M и Maxim отреагировали на это 2 Ссылка на комментарий Поделиться на других сайтах More sharing options...
Snipx Опубликовано: 16 июня 2022 Автор Жалоба Share Опубликовано: 16 июня 2022 @app90 может сталкивался? Ссылка на комментарий Поделиться на других сайтах More sharing options...
GM Premium Опубликовано: 16 июня 2022 Жалоба Share Опубликовано: 16 июня 2022 [mention=425]app90[/mention] может сталкивался?У меня мой мотор снятый на складе лежит, завтра на нем попробую, отпишусь если не забуду)Sent from my M2003J15SC using Cadillac Team Russia mobile app Maxim и Snipx отреагировали на это 2 Ссылка на комментарий Поделиться на других сайтах More sharing options...
lsitnik Опубликовано: 16 июня 2022 Жалоба Share Опубликовано: 16 июня 2022 Ну как бы вот. Снимать её не имея новой не стоит Maxim отреагировал на это 1 Ссылка на комментарий Поделиться на других сайтах More sharing options...
Snipx Опубликовано: 16 июня 2022 Автор Жалоба Share Опубликовано: 16 июня 2022 6 минут назад, app90 сказал: У меня мой мотор снятый на складе лежит, завтра на нем попробую, отпишусь если не забуду) Sent from my M2003J15SC using Cadillac Team Russia mobile app во сколько напомнить? =) Ссылка на комментарий Поделиться на других сайтах More sharing options...
GM Premium Опубликовано: 16 июня 2022 Жалоба Share Опубликовано: 16 июня 2022 во сколько напомнить? =)Лучше в обед. Пиши в телегу)Sent from my M2003J15SC using Cadillac Team Russia mobile app Ссылка на комментарий Поделиться на других сайтах More sharing options...
Сергей Николаевич Опубликовано: 16 июня 2022 Жалоба Share Опубликовано: 16 июня 2022 43 минуты назад, lsitnik сказал: Немного номеров Не можете подсказать номер позиции 4. 18 минут назад, lsitnik сказал: Снимать её не имея новой не стоит https://www.exist.ru/Price/?pcode=12601942 Ссылка на комментарий Поделиться на других сайтах More sharing options...
lsitnik Опубликовано: 17 июня 2022 Жалоба Share Опубликовано: 17 июня 2022 (изменено) 12 часов назад, Сергей Николаевич сказал: Не можете подсказать номер позиции 4. 12639254 Изменено 17 июня 2022 пользователем lsitnik Сергей Николаевич отреагировал на это 1 Ссылка на комментарий Поделиться на других сайтах More sharing options...
GM Premium Опубликовано: 17 июня 2022 Жалоба Share Опубликовано: 17 июня 2022 Походу его достало что оттуда масло хреначит Ну да защёлки Эх сюда видео нельзя вставить. Отправлю в телегуSent from my M2003J15SC using Cadillac Team Russia mobile app Mosquito отреагировал на это 1 Ссылка на комментарий Поделиться на других сайтах More sharing options...
Это популярное сообщение. Snipx Опубликовано: 17 июня 2022 Автор Это популярное сообщение. Жалоба Share Опубликовано: 17 июня 2022 На словах это так: если смотреть на морду авто, то горловину надо повернуть против часовой стрелки на примерно 90 градусов и поднять вверх. @app90 огромное спасибо за понимание этого. Mosquito, Maxim и zverradze отреагировали на это 2 1 Ссылка на комментарий Поделиться на других сайтах More sharing options...
Рекомендованные сообщения
Создайте аккаунт или войдите в него для комментирования
Вы должны быть пользователем, чтобы оставить комментарий
Создать аккаунт
Зарегистрируйтесь для получения аккаунта. Это просто!
Зарегистрировать аккаунтВойти
Уже зарегистрированы? Войдите здесь.
Войти сейчас